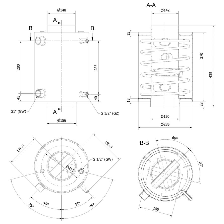
Vesiturbo 90° 150 mm

Hormiin liitettävä vesiturbo kierukalla.
Voidaan kytkeä lämmittämään mitä tahansa lämmitysverkostovettä (ei käyttövesi).
Kierukkaan voidaan kytkeä käyttöveden esilämmitys.

749,00 

1 varastossa (voidaan jälkitoimittaa)

Huomio! Tuote on heti toimitukseen Seinäjoen varastosta mikäli siinä näkyy varaston saldomäärä. Muut tuotteet tehdastoimitusmyyntinä.

Tai maksa ostoksesi osissa!
Hae Resurs Bank luottoa helposti: Tästä
Luottopäätös ei sido sinua ostokseen.

Kuvaus

Tekniset tiedot

  • Vesitilavuus (l): 10
  • Savukaasuaukon halkaisija: 150
  • Suurin käyttöpaine (bar): 2
  • Materiaali: Teräs
  • Keskimääräinen vesiteho (kW): 1,5

Mitat:
Leveys (cm): 41,15
Korkeus (cm): 34,25
Syvyys (cm): 41,46
Paino (kg): 15,01

Jaa somessa: